《GB/T 1722-1992》中,规定了清漆、清油及稀释剂颜色的两种测定方法,一起来看看吧!

1方法提要
将试样镫于玻璃试管中.以目视法将试样与一系列标有色阶标号的铁钴标准色阶溶液进行比较来评定结果。
2材料和仪器
2.1无色玻璃试管:内径10.75±0.05 mm,高111±1mm。
2.2铁钻比色计
23人造日光比色箱或木制暗箱:
2.1人造日光比色箱的技术要求应符合GB 9761中的规定。
3-2.2木制暗箱600 mmX500 mmX400 mm.如图1所示。暗箱内用3 mm厚的磨砂玻璃将箱分成上下两部分。磨砂玻璃的磨面向下,使光线均匀。暗箱上部平行等距装置15W日光灯2支。前面按-挡光板.下部正面敝开.用于检验.内壁涂无光黑漆。

3测定方法
将试样装入洁净干燥的试管(2.1)中.在23±2C.置于人造日光比色箱(2.1)或木制暗箱62.2)内.以30~50cm之间的视距的透射光下与铁钴比色计的标准色阶溶液进行比较。选出二个试样频色深浅最接近的.或一个与试样颜色深浅相同的标准色阶溶液。以标准色阶号数表示试样颜色的等线。
在测试时.试栉若由于低温而引起混浊,可在水浴上加热至50~55C.保持5min.然后冷却至23±2(.再保持5 min后进行测定。
1方法提要
将试样置于罗维朋比色计的样品池中,用具有罗维朋色度标单位值的红、黄、蓝三原色滤色片与试样进行目视匹配,当匹配色与试样颜色一致时,以三滤色片的色度标单位值表示试样的颜色。
2材料和仪器
2.1样品池:10.0 mm,用于测深色的试样;25.4 mm,用于测浅色的试样;134 mm,用于测极浅色的试样。
2.2罗维朋比色计:
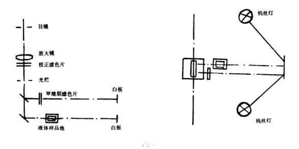
2.2.1罗维朋比色计的结构如图2所示。

2.2.2罗维朋比色计的光学系统如图3所示。

2.2.3滤色片的罗维朋色度标单位值范围:
红色滤色片0.1~0.91.0~9.0
10.0~70.0
黄色滤色片0.10.9
1.0~9.0
10.0~70.0
蓝色滤色片0.1~0.9
1.0~9.0
10.0-40.0
中性灰色滤色片0.1~0.9
1.02.00
最小读數为0.1罗维朋色度标单位。
2.2.4测定方法
按仪器说明书要求检查仪器(2.2)使之达到规定状态,标准白板放在规定位置上,将被测液体倒入产品标准规定规格的样品池(2.1)中.放入仪器中。从目镜中观察试样,调节各滤色片进行匹配组合。直至二滤色片组成的颜色与试样颜色一致。记录各滤色片色度标单位值及所用样品池规格
当使用一个或二个滤色片进行目视匹配时。如果滤色片较样品暗.则需在祥品池外加中性灰色滤色片.使二卉颜色和亮度都一致。记录各滤色片色度标单位值、样品池规格及中性灰色滤色片色度标单位值。